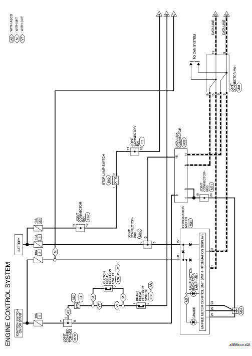
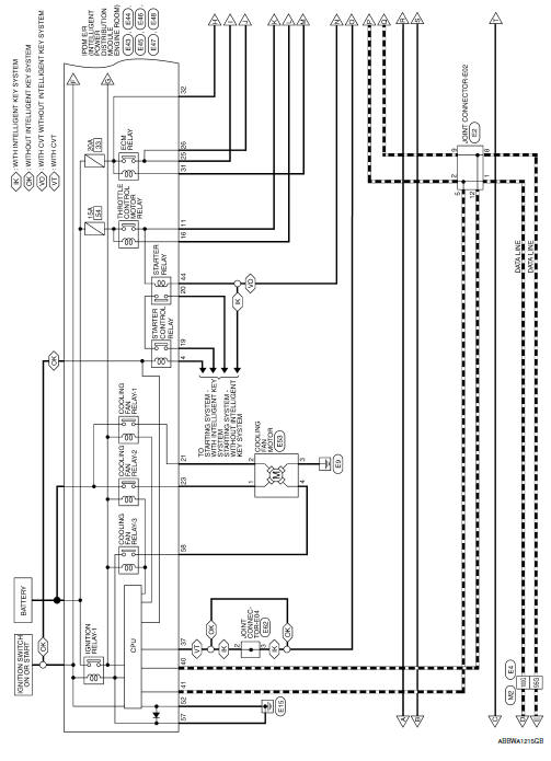
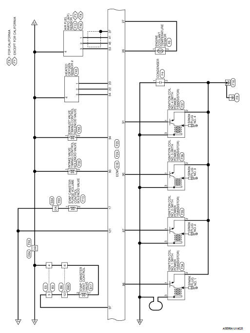
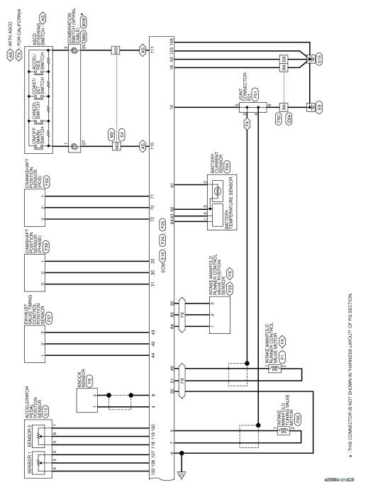
Engine control system
Wiring Diagram





















Ecu diagnosis information
Basic inspectionHow to set srt code
Description
OUTLINE
In order to set all SRTs, the self-diagnoses as in the “SRT ITEM” table must
have been performed at least
once. Each diagnosis may require actual driving for a long period of time under
various conditions.
SRT ITEM
The table below shows required self-diagnostic ...
FM/AM/SAT radio with compact disc (CD) player (Type B) (if so equipped)
For all operation precautions, see “Audio operation
precautions” in this section.
Audio main operation
ON-OFF button / VOL (volume) control
knob:
Place the ignition switch in the ACC or ON
position and press the ON-OFF button while the
system is off to call up the mode (radio, CD, AUX,
B ...
Steering wheel switch for audio control (if so equipped)
Tuning switch
Power on and SOURCE select switch
Volume control button
The audio system can be operated using the
controls on the steering wheel.
POWER on switch
With the ignition switch in the ACC or ON position,
push the SOURCE switch to turn the audio
system on.
SOURCE select s ...