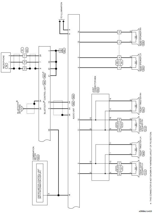
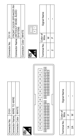
Display audio without bose
Wiring diagram











Ecu diagnosis information
Basic inspectionPower windows do not operate with power window main switch
Diagnosis Procedure
1.Check bcm power supply and ground circuit
Check bcm power supply and ground circuit.
Refer to bcs-67, "diagnosis procedure" (with intelligent key) or bcs-120,
"diagnosis procedure" (without
intelligent key).
Is the inspection result normal?
Yes & ...
Precaution for Supplemental Restraint System (SRS) "AIR BAG" and "SEAT
BELT PRE-TENSIONER"
The Supplemental Restraint System such as “AIR BAG” and “SEAT BELT PRE-TENSIONER”,
used along
with a front seat belt, helps to reduce the risk or severity of injury to the
driver and front passenger for certain
types of collision. Information necessary to service the system ...
P0441 EVAP Control system
DTC Logic
DTC DETECTION LOGIC
NOTE:
If DTC P0441 is displayed with other DTC such as P2122, P2123, P2127,
P2128 or P2138, first perform
trouble diagnosis for other DTC.
In this evaporative emission (EVAP) control system, purge flow occurs during
non-closed throttle conditions.
Purge volu ...