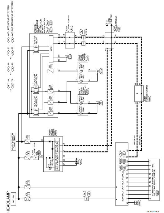
Headlamp
Wiring diagram





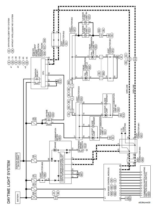
Daytime light system
Wiring diagram








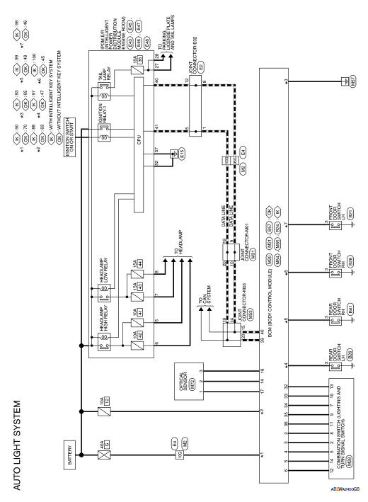
Auto light system
Wiring diagram







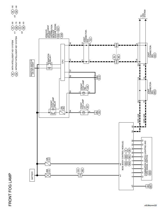
Front fog lamp
Wiring diagram





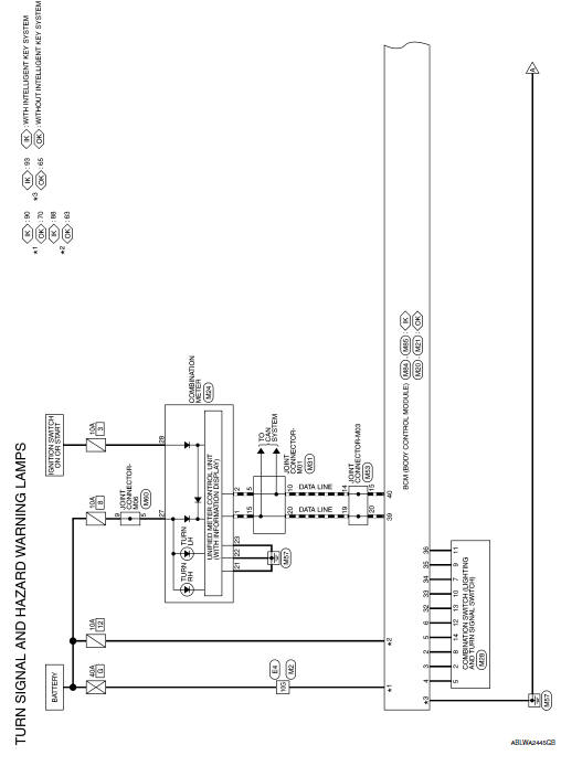
Turn signal and hazard warning lamps
Wiring diagram










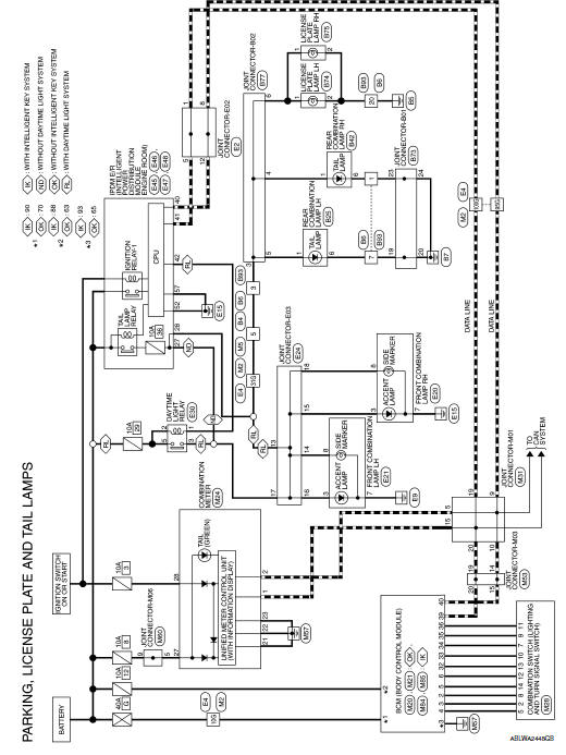
Parking, license plate and tail lamps
Wiring diagram








Stop lamp
Wiring diagram




Back-up lamp
Wiring diagram





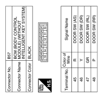
 Ecu diagnosis information
Ecu diagnosis information Basic inspection
Basic inspectionNISSAN Intelligent Key® battery discharge
   
If the battery of the NISSAN Intelligent Key® is
discharged, or environmental conditions interfere
with the Intelligent Key operation, start the engine
according to the following procedure:
	Place the shift lever in the P (Park) position.
	Firmly apply the foot brake.
	Touch the ignitio ...
   
Map lamp
   Removal and installation 
Removal
Lower front edge of map lamp (1) down from the headlining by
releasing the metal clips, then slide forward to clear pawls at
rear.
 : Metal clip
 Pawl
	Disconnect the harness connectors from the map lamp and remove.
Installation
Installation is in t ...
   
Towing your vehicle
   When towing your vehicle, all State (Provincial in
Canada) and local regulations for towing must be
followed. Incorrect towing equipment could damage
your vehicle. Towing instructions are available
from a NISSAN dealer. Local service operators
are generally familiar with the applicable laws
an ...