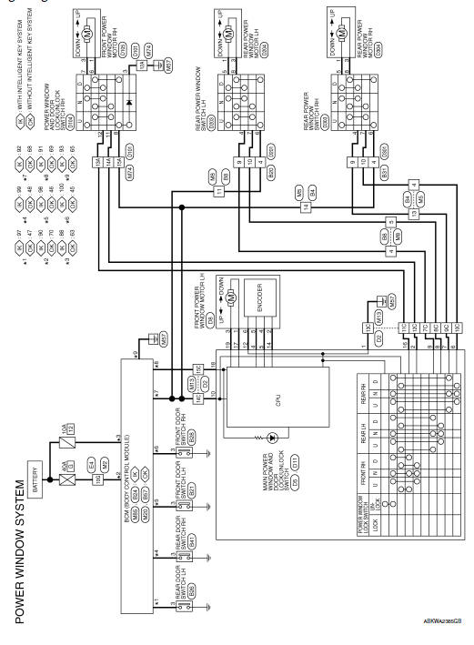
Power window system
Wiring Diagram







Power window main switch
Basic inspectionFM/AM/SAT radio with compact disc (CD) player (Type A) (if so equipped)
For all operation precautions, see “Audio operation
precautions” in this section.
Audio main operation
VOL (volume) knob / PWR (power) button:
Place the ignition switch in the ACC or ON
position and press the VOL (volume) knob /PWR
(power) button while the system is off to call up
the mod ...
Precautions on seat belt usage
If you are wearing your seat belt properly adjusted
and you are sitting upright and well back in
your seat with both feet on the floor, your chances
of being injured or killed in an accident and/or the
severity of injury may be greatly reduced.
NISSAN strongly encourages you and all of yo ...
Precaution for Liquid Gasket
REMOVAL OF LIQUID GASKET
After removing nuts and bolts, separate the mating surface, using Tool
and remove old liquid gasket.
Tool number : KV10111100 (J-37228)
CAUTION:
Be careful not to damage the mating surfaces.
Tap (1) Tool to insert it, and then slide it (2) by tapping on t ...