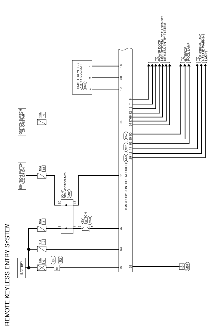
Remote keyless entry system
Wiring diagram









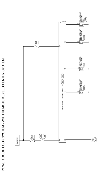
Power door lock system
Wiring Diagram








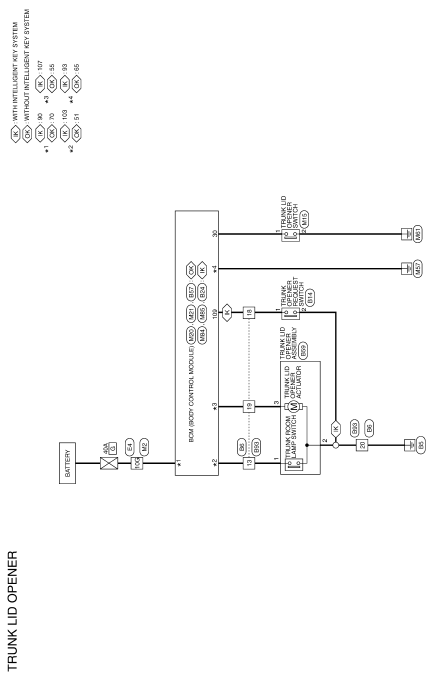
Trunk lid opener
Wiring diagram




 Ecu diagnosis information
Ecu diagnosis information Basic inspection
Basic inspectionC1130 Engine signal
   DTC Logic
DTC DETECTION LOGIC
	
		DTC
		Display Item
		Malfunction detected condition
		Possible causes
	
	
		C1130
		ENGINE SIGNAL 1
		When a malfunction is detected in ECM system.
		
		
			ECM
			ABS actuator and electric unit
			(control unit)
			CAN communication line
		
		
 ...
   
Precaution for Supplemental Restraint System (SRS) "AIR BAG" and "SEAT BELT 
PRE-TENSIONER"
   The Supplemental Restraint System such as “AIR BAG” and “SEAT BELT PRE-TENSIONER”, 
used along
with a front seat belt, helps to reduce the risk or severity of injury to the 
driver and front passenger for certain
types of collision. Information necessary to service the system ...
   
Diagnosis system (ipdm e/r) (with intelligent key system)
   Diagnosis description
Auto active test
Description
In auto active test, the IPDM E/R sends a drive signal to the following 
systems to check their operation.
	Front wiper (lo, hi)
	Parking lamp
	License plate lamp
	Tail lamp
	Front fog lamp (if equipped)
	Headlamp (LO, HI)
	A/C compress ...