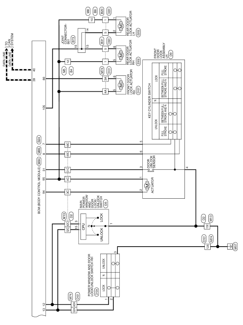
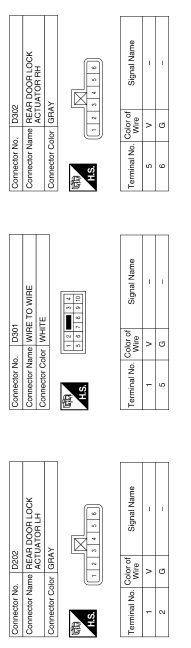
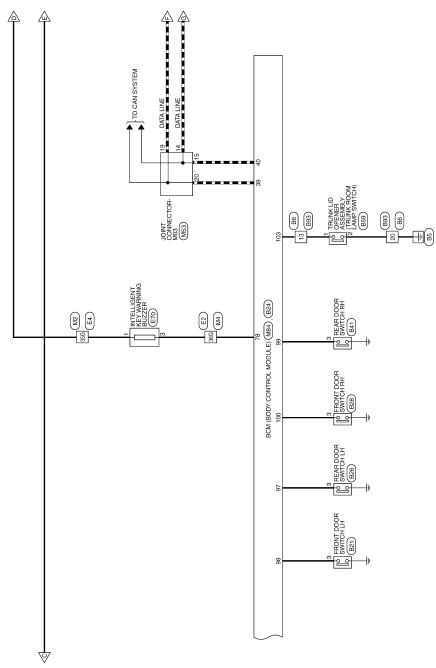
Power door lock system
Wiring diagram








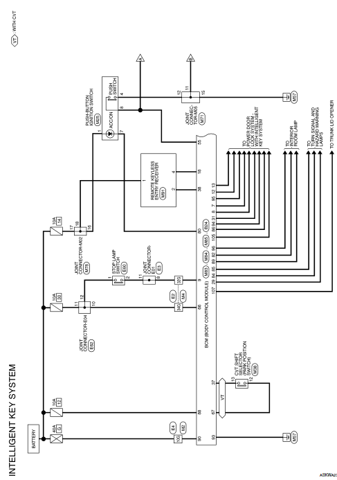
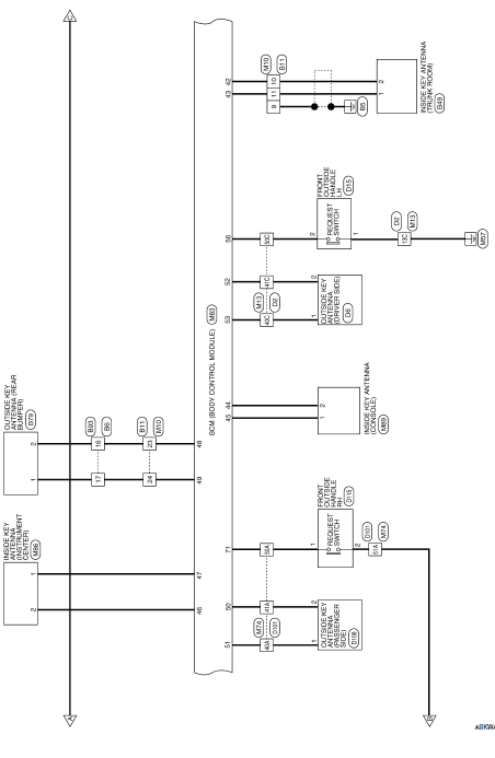
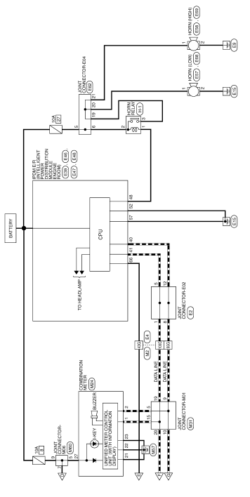
Intelligent key system
Wiring diagram














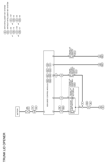
Trunk lid opener
Wiring diagram




 ECU diagnosis information
ECU diagnosis information Basic inspection
Basic inspectionP2857 Clutch A Pressure
   DTC Logic 
DTC DETECTION LOGIC
	
		DTC
		CONSULT screen terms
		(Trouble diagnosis content)
		DTC detection condition
		Possible causes
	
	
		P2857
		CLUTCH A PRESSURE
		(Clutch A Pressure Engagement
		Performance)
		The auxiliary gearbox gear ratio is 2.232 or
		more for the auxili ...
   
Precaution
   Precaution for Supplemental Restraint System (SRS) "AIR BAG" and "SEAT BELT 
PRE-TENSIONER"
The supplemental restraint system such as “air bag” and “seat belt pre-tensioner”, 
used along
with a front seat belt, helps to reduce the risk or severity of injur ...
   
Service data and specifications (SDS)
   Steering Wheel
Steering Angle 
Steering Column 
STEERING COLUMN LENGTH
TILT MECHANISM OPERATING RANGE
Power Steering Gear
STEERING OUTER SOCKET AND INNER SOCKET
RACK STROKE
 ...