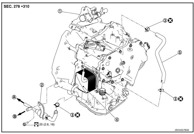
Exploded View

: Always replace after every
disassembly.
: NВ·m (kg-m, ft-lb)
Removal and Installation
REMOVAL
WARNING:
Do not remove the radiator cap when the engine is hot. Serious burns could occur from high-pressure coolant escaping from the radiator. Wrap a thick cloth around the cap. Slowly push down and turn it a quarter turn to allow built-up pressure to escape. Carefully remove the cap by pushing it down and turning it all the way.
CAUTION:
Perform these steps after the coolant temperature has cooled sufficiently.
NOTE:
When removing components such as hoses, tubes/lines, etc., cap or plug openings to prevent fluid from spilling.
INSTALLATION
Installation is in the reverse order of removal.
| Water hose (1) | Installation side tube (2) | Direction of paint mark | Hose insertion depth (L) |
| Heater thermostat assembly | CVT oil warmer | Frontward | (A): 27 mm (1.06 in) (Hose end reaches the 2-stage bulge.) |
| Water hose | CVT oil warmer | Frontward | |
| Water outlet | Frontward | B): 27 mm (1.06 in) (Hose end reaches the end of water outlet tube.) |

CAUTION:
| Water hose (1) | Installation side tube (2) | Hose clamp (3) | |
| Direction of tab | Clamping position | ||
| Heater thermostat assembly | CVT oil warmer | Frontward | (B): Align with the end of paint mark (C) |
| Water hose | CVT oil warmer | Frontward | (A): 5 – 7 mm (0.20 – 0.28 in) (L) from hose end |
| Water outlet | Frontward | ||

Inspection
INSPECTION AFTER REMOVAL
Heater Thermostat

Standard : Refer to TM-289, "Heater Thermostat".

INSPECTION AFTER INSTALLATION
Start the engine, and check the joints for coolant leakage.
Differential side oil seal
PlugAbs branch line circuit
Diagnosis procedure
1.Check connector
Turn the ignition switch OFF.
Disconnect the battery cable from the negative terminal.
Check the terminals and connectors of the abs actuator and electric unit
(control unit) for damage, bend
and loose connection (unit side and connector side).
...
Power supply and ground circuit
Combination meter
COMBINATION METER : Diagnosis Procedure
Regarding Wiring Diagram information, refer to MWI-28, "Wiring Diagram".
1.Check fuses
Check that the following fuses are not blown.
Is the fuse blown?
Yes >> replace the blown fuse after repairing the affected circu ...
P1217 Engine over temperature
DTC Logic
DTC DETECTION LOGIC
NOTE:
If DTC P1217 is displayed with DTC UXXXX, first perform the trouble
diagnosis for DTC UXXXX.
If DTC P1217 is displayed with DTC P0607, first perform the trouble
diagnosis for DTC P0607. Refer
to EC-350, "DTC Logic".
If the cooling fan ...