Nissan Sentra Service Manual: Trunk lid
Trunk lid assembly
Trunk lid assembly : exploded view

- Trunk lid hinge LH/RH
- Torsion bar LH/RH
- Torsion bar clips
- Trunk lid finisher (if equipped)
- Emergency release handle
- Emergency release handle clip
- Emergency release handle cable
- Trunk lid lock
- Trunk lid bumpers
- License lamp finisher
- Trunk lid
- Rear spoiler (if equipped)
- Weatherstrip
- Clip
Clip
Trunk lid assembly : removal and installation
CAUTION:
- Use two people when removing or installing trunk lid assembly due
to its heavy weight.
- Use protective tape or shop cloths to protect surrounding
components from damage during removal
and installation of trunk lid assembly.
REMOVAL
- Remove trunk lid finisher (if equipped). Refer to INT-45, "Removal and
Installation".
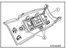
- Disconnect the harness connectors in the trunk lid assembly (1)
and remove the harness clips (A) then pull out harness from the
trunk lid assembly (1).

- Remove the bolts (A) and remove the trunk lid assembly (1).

INSTALLATION
Installation is in the reverse order of removal.
CAUTION:
After installation, perform the trunk lid assembly adjustment
procedure. Refer to DLK-332, "TRUNK
LID ASSEMBLY : Adjustment".
Trunk lid assembly : adjustment

- Trunk lid assembly
- Trunk lid hinge
- Trunk lid striker
- Body side outer
- Rear combination lamp
- Reflector
- Rear bumper fascia
- Trunk lid bolts
- Striker bolts
Check the clearance and the surface height between trunk lid and each part by
visual inspection and tactile
feel.
If the clearance and the surface height are out of specification, adjust them
according to the adjustment procedures.

LONGITUDINAL CLEARANCE
Trunk Lid Removed From Hinge
- Loosen the trunk lid to hinge bolts
- Move the trunk lid so that the clearance measurements are within
specifications provided.
- Tighten the trunk lid to hinge bolts.
Trunk Lid Hinge Removed From Vehicle
- Remove the rear parcel shelf finisher. Refer to INT-33, "Removal and
Installation".
- Loosen the hinge to parcel shelf bolts.
- Move the trunk lid so that the clearance measurements are within
specifications provided.
- Tighten the hinge to parcel shelf bolts.
- Install the rear parcel shelf finisher. Refer to INT-33, "Removal and
Installation".
SURFACE HEIGHT ADJUSTMENT
- Loosen the bumper rubber.
- Loosen the striker bolts.
- Lift up the trunk lid approx. 100 - 150 mm (3.94 - 5.91 in) height then
close it lightly. Make sure it engages
firmly with the trunk lid closed.
- Tighten the trunk lid striker.
Trunk lid hinge
Trunk lid hinge : removal and installation
REMOVAL
- Remove trunk lid assembly. Refer to DLK-330, "TRUNK LID ASSEMBLY :
Removal and Installation".
- Remove torsion bar. Refer to DLK-334, "TORSION BAR : Removal and
Installation".
- Remove rear parcel shelf finisher. Refer to INT-33, "Removal and
Installation".
- Remove trunk lid hinge bolts (body side) and remove.
INSTALLATION
Installation is in the reverse order of removal.
CAUTION:
- Check trunk lid open/close, lock/unlock operation after
installation.
- After installation, perform the trunk lid assembly adjustment
procedure. Refer to DLK-332, "TRUNK
LID ASSEMBLY : Adjustment".
- Check trunk lid hinge rotating point for poor lubrication. If
necessary, apply a suitable multi-purpose grease.

Torsion bar
TORSION BAR : Removal and Installation
REMOVAL
- Remove torsion bar clips.
- Support the trunk lid assembly using a suitable tool.
WARNING:
Bodily injury may occur if hood assembly is not supported properly when
removing hood assembly.
- Lift torsion bar (1) using a suitable tool (A) as shown to remove.

NOTE:
The suitable tool specifications are as shown.

INSTALLATION
Installation is in the reverse order of removal.
CAUTION:
After installation check the trunk lid open/close, lock/unlock
operation.
Trunk lid lock
Trunk lid lock : removal and installation
REMOVAL
- Remove the trunk lid finisher (if equipped). Refer to INT-45, "Removal
and Installation".
- Disconnect the harness connector (B) and emergency release
handle (2) from the trunk lid lock (1).
- Remove the trunk lid lock bolts (A) and remove.

INSTALLATION
Installation is in the reverse order of removal.
CAUTION:
After installation, perform the trunk lid assembly adjustment
procedure. Refer to DLK-332, "TRUNK
LID ASSEMBLY : Adjustment".
Emergency lever
Emergency lever : removal and installation
REMOVAL
- Remove the trunk lid finisher (if equipped). Refer to INT-45, "Removal
and Installation".
- Using a suitable tool release the pawls and remove emergency
release handle (1) from trunk lid assembly.
: Pawl
- Disconnect emergency release handle cable (2) from trunk lid
lock assembly (3).

INSTALLATION
Installation is in the reverse order of removal.
Trunk lid striker
Trunk lid striker : removal and installation
REMOVAL
- Remove the trunk kicking plate. Refer to INT-42, "Exploded View".
- Remove bolts (A) and striker (1).

INSTALLATION
Installation is in the reverse order of removal.
CAUTION:
After installation, perform the trunk lid assembly adjustment
procedure. Refer to DLK-332, "TRUNK
LID ASSEMBLY : Adjustment".
Fuel filler lid opener
Exploded View

- Fuel filler lid
- Bumper rubber
- Fuel filler lid opener cable
- Fuel filler lid lock
- Clip
- Bolts
- Cable protector
Fuel filler lid
Fuel filler lid : removal and installation
REMOVAL
- Fully open fuel filler lid.
- Remove fuel cap clip (A).

- Remove fuel filler lid screws (A) and fuel filler lid (1).

INSTALLATION
Installation is in the reverse order of removal.
CAUTION:
After installation, check fuel filler lid assembly open/close,
lock/unlock operation.
NOTE:
- The following table shows the specifications for a correctly
installed fuel filler lid.
- Fitting adjustment cannot be performed.

Fuel filler opener cable
Fuel filler opener cable : removal and
installation
REMOVAL
- Remove hood and fuel filler handle assembly bolts (A).

- Release fuel filler lid opener cable (2) by pulling downward and
then sliding cable end to the side to remove from hood and fuel
filler handle assembly (1).

- Remove dash side finisher (LH). Refer to INT-26, "DASH SIDE FINISHER :
Removal and Installation".
- Remove center pillar lower finisher (LH). Refer to INT-27, "CENTER
PILLAR LOWER FINISHER :
Removal and Installation".
- Remove rear seat bolster (LH). Refer to SE-24, "Removal and Installation
- Rear Seat Bolster".
- Remove trunk side finisher (LH). Refer to INT-43, "TRUNK SIDE FINISHER :
Removal and Installation".
- Remove fuel filler lid opener cable (1) from fuel filler lid lock
assembly. Refer to DLK-338, "FUEL FILLER
OPENER CABLE : Removal and Installation".

Front
- Remove each cable protector (A), then remove fuel filler lid opener
cable (1).
INSTALLATION
Installation is in the reverse order of removal.
CAUTION:
After installation, check fuel filler lid assembly open/close,
lock/unlock operation.
Fuel filler lid lock
Fuel filler lid lock : removal and installation
REMOVAL
- Fully open fuel filler lid.
- Insert a suitable tool (A) as shown into bottom of fuel filler lock
assembly(1).

- Release upper and lower pawls (A) using a suitable tool and
remove fuel filler lid lock assembly (1).
CAUTION:
Be careful not to damage gasket (2) when removing.

- Disconnect fuel filler lid opener cable (1) by pulling downward
and then sliding cable end to the side to remove from fuel filler
lid lock assembly (2).

INSTALLATION
Installation is in the reverse order of removal.
CAUTION:
After installation, check fuel filler lid assembly open/close,
lock/unlock operation.
Door switch
Removal and Installation
REMOVAL
- Remove the door switch bolt (A).
- Disconnect the harness connector from the door switch (1) and
remove.

INSTALLATION
Installation is in the reverse order of removal.
Remote keyless entry receiver
Removal and installation
REMOVAL
- Remove glove box assembly. Refer to IP-22, "Removal and Installation".
- Disconnect the harness connector from the remote keyless entry receiver.
- Remove the screw and remote keyless entry receiver.
INSTALLATION
Installation is in the reverse order or removal.
Keyfob battery
Exploded view

- Upper case
- Key
- Switch cover
- Switch rubber
- Board surface
- Battery
- Plate
- Lower case
- Screw
Removal and installation
REMOVAL
- Remove the keyfob screw.
- Seperate the upper and lower case using a suitable tool.
CAUTION:
- Do not touch the circuit board or battery terminal.
- The keyfob is water-resistant. However, if it does get wet,
immediately wipe it dry.
- Remove the circuit board from the upper case.
CAUTION:
Do not touch the printed circuits directly.
- Remove the keyfob battery from the upper case.
Battery replacement : Coin-type lithium battery (CR1620)
CAUTION:
- When replacing battery, keep dirt, grease, and other foreign
materials off the electrode contact
area.
- After replacing the battery, Be sure to check that door locking
operates normally using the keyfob.
INSTALLATION
Installation is in the reverse order of removal.
Trunk lid opener switch
Removal and Installation
REMOVAL
- Remove the instrument lower panel LH. Refer to IP-21, "Removal and
Installation".
- Remove to the instrument finisher D (1).
- Remove the screws (A) that retain the instrument finisher D to
the switch carrier.
- Release upper tab (B) and lower tab using a suitable tool (C),
then remove the trunk lid opener switch from the upper switch
carrier.

INSTALLATION
Installation is in the reverse order of removal.
Front door lock
Front door lock : exploded view
Outside handle bracket
Front gasket
Outside handle
Door lock assembly
Door striker
Door key cylinder rod
Inside handle assembly
Ou ...
Other materials:
Cylinder block
Exploded View
Cylinder block
Block heater (for Canada)
Top ring
Second ring
Oil ring
Piston
Piston pin
Snap ring
Connecting rod
Connecting rod bearing (upper)
Connecting rod bearing (lower)
Crankshaft key
Connecting rod cap
Connecting rod cap bolt
Main bearing ca ...
Front fog lamp
Aiming adjustment
PREPARATION BEFORE ADJUSTING
The fog lamp is a semi-sealed beam type which uses a replaceable halogen
bulb. Before performing aiming
adjustment procedure, check the following:
Ensure all tires are inflated to correct pressure.
Place vehicle and screen on level surface.
...
Water outlet
Exploded View
CVT MODELS
Water control valve
Rubber ring
Radiator hose (upper)
Clamp
Water outlet
CVT oil warmer hose (outlet)
Heater hose (inlet)
Heater hose (outlet)
Electric throttle control actuator hose
(outlet)
Electric throttle control actuator hose
(inlet)
E ...
В© 2014-2025 Copyright www.nisentra.com