Wiring Diagram





Wiring diagram
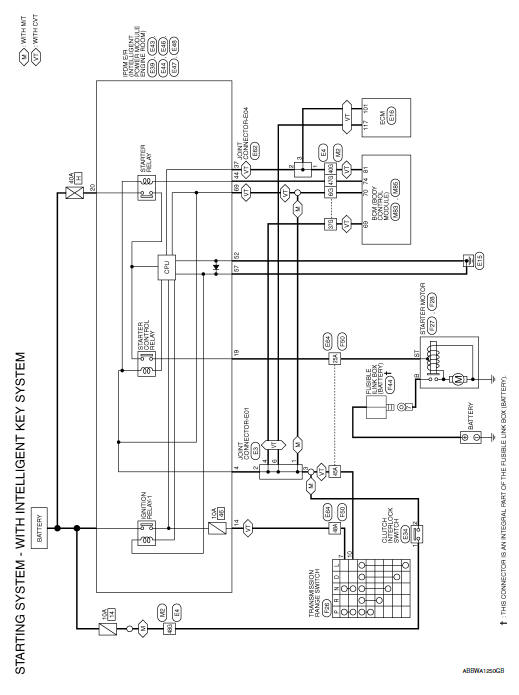
Starting system (without intelligent key)Rear window defogger power supply and ground circuit
Description
Heats the heating wire with the power supply from the rear window defogger
relay to prevent the rear window
from fogging up.
Component function check
1. Check rear window defogger
Check that the heating wire of rear window defogger is heated when turning
the rear window defogge ...
Precaution for Supplemental Restraint System (SRS) "AIR BAG"
and "SEAT BELT PRE-TENSIONER"
The Supplemental Restraint System such as “AIR BAG” and “SEAT
BELT PRE-TENSIONER”, used along
with a front seat belt, helps to reduce the risk or severity of injury to the
driver and front passenger for certain
types of collision. Information necessary to service the system ...
Wheel sensor
Front wheel sensor
FRONT WHEEL SENSOR : Exploded View
Front wheel sensor
Front wheel sensor harness connector
Front
FRONT WHEEL SENSOR : Removal and Installation
CAUTION:
Be careful not to damage wheel sensor edge and sensor
rotor teeth.
When removing the front ...