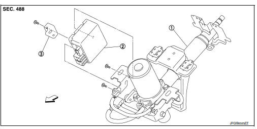
EPS control unit
Exploded View

Front
Removal and Installation
REMOVAL
CAUTION:
Disconnect battery negative terminal before starting operations.
Do not shock EPS control unit, e.g. drop or hit.
Do not get EPS control unit wet with water or other liquid. Also, do not give EPS control unit a radical temperature change to avoid getting water drops.
Do not disassemble or remodel EPS control unit, EPS motor, torque sensor, harness and harness connectors.
Remove steering column assembly. Refer to ST-12, "Removal and Installation".
Disconnect EPS motor harness connector
CAUTION:
Hold and pull the harness connector housing, not pulling harness, when disconnecting harness connectors. Also, do not grip, collapse or apply excessive force to the harness connector
Remove EPS control unit from steering column assembly.
Remove bracket plate from EPS control unit.
INSTALLATION
Installation is in the reverse order of removal.
Check that harness is not damaged when installing EPS control unit. Also, check that EPS control unit is installed without pinching harness or trapping foreign materials.
After installing steering column assembly, perform self-diagnosis with CONSULT to ensure correct operation.
Refer to STC-10, "CONSULT Function".
Unbalance steering wheel turning force (torque variation)
RestraintsBrake piping
FRONT
FRONT : Exploded View
Brake tube
ABS actuator and electric unit (control
unit)
Connector
Connector bracket
Master cylinder assembly
Brake booster
Lock plate
Brake hose
Copper sealing washer
To front brake hose
To rear brake pipe
Front
FRONT : Hydraulic P ...
C1109 Power and ground system
DTC Logic
DTC DETECTION LOGIC
DTC
Display Item
Malfunction detected condition
Possible causes
C1109
BATTERY VOLTAGE
[ABNORMAL]
When ignition voltage is 10 V or less.
When ignition voltage is 16 V or more.
Harness or connector
...
Bcm branch line circuit
Diagnosis Procedure
1.Check connector
Turn the ignition switch off.
Disconnect the battery cable from the negative terminal.
Check the terminals and connectors of the BCM for damage, bend and loose
connection (unit side and
connector side).
Is the inspection result normal?
YES > ...